Product Summary
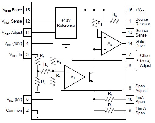
The XTR110BG is a precision voltage-to-current converter designed for analog signal transmission. It accepts inputs of 0 to 5V or 0 to 10V and can be connected for outputs of 4 to 20mA, 0 to 20mA, 5 to 25mA and many other commonly used ranges. The XTR110BG is available in 16-pin plastic DIP, ceramic DIP and SOL-16 surface-mount packages. Commercial and industrial temperature range models are available. The applications of the device include industrial process control, pressure/temperature transmitters, current-mode bridge excitation, grounded transducer circuits, current source reference for data acquisition, programmable current source for test equipment and power plant/energy system monitoring.
Parametrics
XTR110BG absolute maximum ratings: (1)Power Supply, +VCC: 40V; (2)Input Voltage, VIN1, VIN2, VREF IN: +VCC; (3)Storage Temperature Range: A, B: –55℃ to +125℃; K, U: –40℃ to +85℃; (4)Lead Temperature(soldering, 10s) G, P: 300℃; (wave soldering, 3s) U: 260℃; (5)Output Short-Circuit Duration, Gate Drive and VREF Force: Continuous to common and +VCC; (6)Output Current Using Internal 50W Resistor: 40mA.
Features
XTR110BG features: (1)4mA to 20ma transmitter; (2)selectable input/output ranges: 0 to +5V, 0 to +10V inputs; 0mA to 20mA, 5mA to 25mA outputs; other ranges; (3)0.005% max nonlinearity, 14 bit; (4)precision +10V reference output; (5)single supply operation; (6)wide supply range: 13.5 to 40V.
Diagrams

| Image | Part No | Mfg | Description | ![]() |
Pricing (USD) |
Quantity | ||||||||||||
|---|---|---|---|---|---|---|---|---|---|---|---|---|---|---|---|---|---|---|
![]() |
![]() XTR110BG |
![]() Texas Instruments |
![]() Current Sense Amplifiers Prec Vltg-To-Crnt Cnertr/Trnsmtr |
![]() Data Sheet |
![]()
|
|
||||||||||||
| Image | Part No | Mfg | Description | ![]() |
Pricing (USD) |
Quantity | ||||||||||||
![]() |
![]() XTR100 |
![]() Other |
![]() |
![]() Data Sheet |
![]() Negotiable |
|
||||||||||||
![]() |
![]() XTR101 |
![]() Other |
![]() |
![]() Data Sheet |
![]() Negotiable |
|
||||||||||||
![]() |
![]() XTR101AG |
![]() Texas Instruments |
![]() Current Sense Amplifiers Prec Lo-Drift 4-20mA 2-Wire Trnsmtr |
![]() Data Sheet |
![]()
|
|
||||||||||||
![]() |
![]() XTR101AP |
![]() Texas Instruments |
![]() Current Sense Amplifiers Prec Lo-Drift 4-20mA 2-Wire Trnsmtr |
![]() Data Sheet |
![]()
|
|
||||||||||||
![]() |
![]() XTR101APG4 |
![]() Texas Instruments |
![]() Current Sense Amplifiers Prec Lo-Drift 4-20mA 2-Wire Trnsmtr |
![]() Data Sheet |
![]()
|
|
||||||||||||
![]() |
![]() XTR101AU |
![]() Texas Instruments |
![]() Current Sense Amplifiers Prec Lo-Drift 4-20mA 2-Wire Trnsmtr |
![]() Data Sheet |
![]()
|
|
||||||||||||
(China (Mainland))










