Product Summary
The AM188EM-40KC is a microcontroller. It is the ideal upgrade for 80C186/188 and 80L186/188 microcontroller designs requiring 80C186/188 and 80L186/188 microcontroller compatibility, increased performance, serial communications, and a direct bus interface. The AM188EM-40KC increases the performance of existing 80C186/188 and 80L186/188 systems while decreasing their cost.
Parametrics
AM188EM-40KC absolute maximum ratings: (1)Storage temperature: –65 to +125℃; (2)Voltage on any pin with respect to ground: –0.5 V to Vcc +0.5 V; (3)Commercial (TC): 0 to +100℃; (4)Industrial (TA): –40 to +85℃; (5)VCC up to 33 MHz: 5 V ± 10%; (6)VCC greater than 33 MHz: 5 V ± 5%.
Features
AM188EM-40KC features: (1)E86 family 80C186- and 80C188-compatible microcontrollers with enhanced bus interface; (2)High performance; (3)New features provide faster access to memory and remove the requirement for a 2× clock input; (4)New integrated peripherals provide increased functionality while reducing system cost; (5)Familiar 80C186/80L186 peripherals; (6)Software-compatible with the 80C186/80C188 and 80L186 /80L188 microcontrollers; (7)Widely available native development tools, applications, and system software.
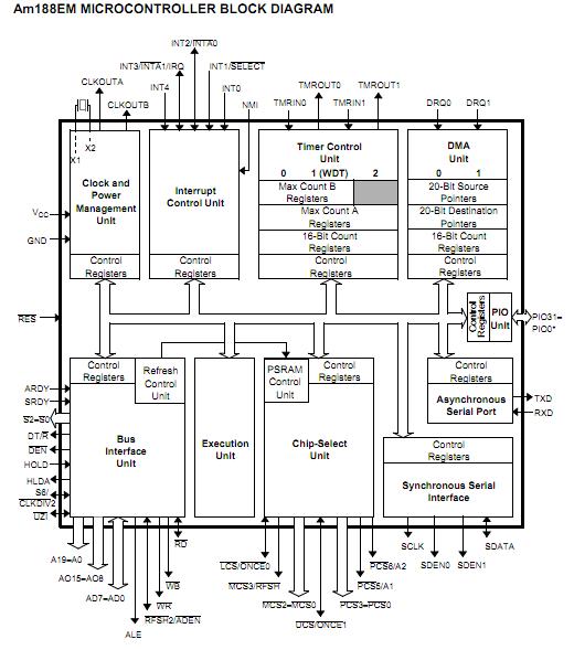
Diagrams

![]() |
![]() AM1802BZCED3 |
![]() Texas Instruments |
![]() Microprocessors (MPU) Sitara ARM MCU |
![]() Data Sheet |
![]()
|
|
||||||||||||
![]() |
![]() AM1802BZWTD3 |
![]() Texas Instruments |
![]() Microprocessors (MPU) Sitara ARM MCU |
![]() Data Sheet |
![]()
|
|
||||||||||||
![]() |
![]() AM1806BZCE3 |
![]() Texas Instruments |
![]() Microprocessors (MPU) ARM MicroProc |
![]() Data Sheet |
![]()
|
|
||||||||||||
![]() |
![]() AM1806BZCE4 |
![]() Texas Instruments |
![]() Microprocessors (MPU) ARM MicroProc |
![]() Data Sheet |
![]()
|
|
||||||||||||
![]() |
![]() AM1806BZCEA3 |
![]() Texas Instruments |
![]() Microprocessors (MPU) ARM MicroProc |
![]() Data Sheet |
![]()
|
|
||||||||||||
![]() |
![]() AM1806BZCED4 |
![]() Texas Instruments |
![]() Microprocessors (MPU) ARM MicroProc |
![]() Data Sheet |
![]()
|
|
||||||||||||
(China (Mainland))









